托菲 JDCM3601S-CANopen絕對值編碼器
產品型號:JDCM3601S
廠商性質:代理/分銷商
公司名稱:西安虹創科工貿有限公司
地 址:西安市雁塔區昆明路2號院
聯 系 人:虹創科工貿
聯系電話:029-84589271
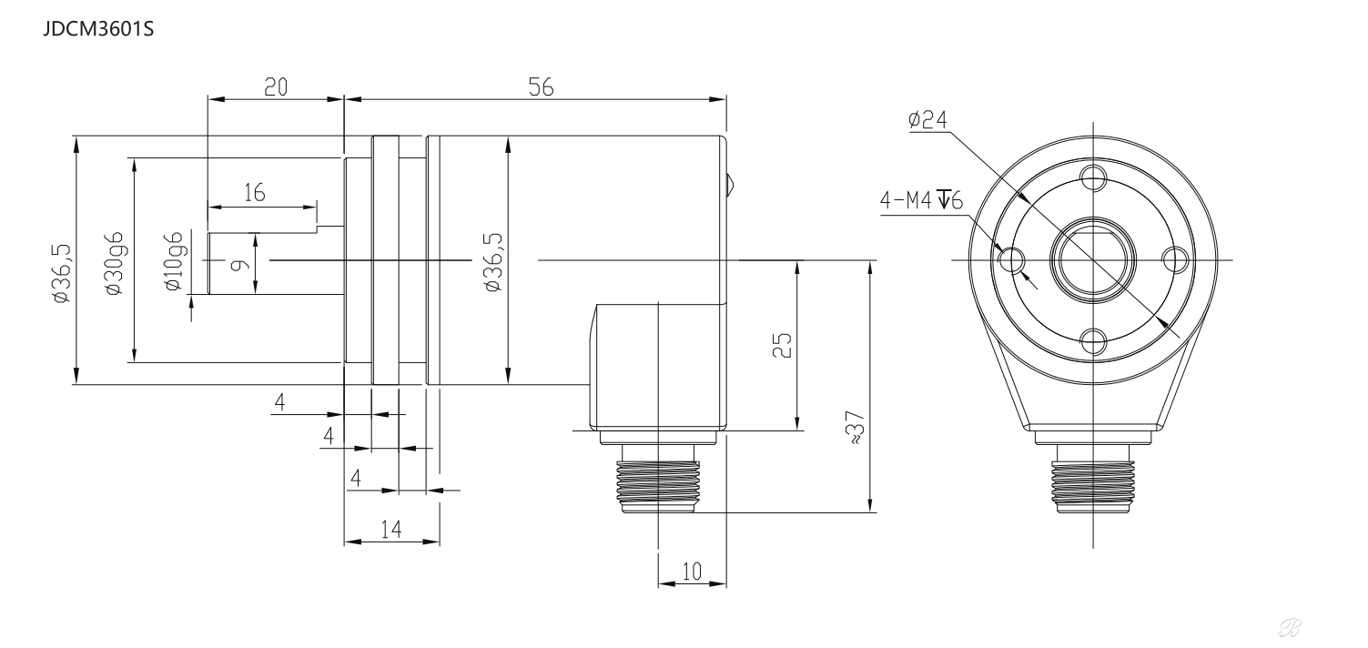
JDCM3601S系列
絕對值編碼器
感應原理 磁性
功能原理 多圈
外徑 Φ36.5mm
軸徑 實心軸 Φ10mm
分辨率 28Bit
每圈步數 65536/16Bit
圈數 4096/12Bit
接口 CANopen
工作電壓 10-30VDC
防護等級 IP67

