晶振的兩種電阻作用:反饋電阻與限流電阻
在晶體的振蕩電路中一般會設計兩個電阻,一個是跨接在晶振兩端,叫做反饋電阻Rf;一個接在IC的輸出端,叫做限流電阻RD;同晶體相連旁接的電容稱之為負載匹配電容,通過調整容值的大小可以改變振蕩電路的頻率,而這些波形頻率測試就可以觀察的到。

1、反饋電阻Rf:
晶體串聯的主芯片內部是一個線性運算放大器,將輸入進行反向180度輸出,晶振處的負載電容提供另外180度的相移,整個環路的相移呈360度,滿足振蕩的相位條件,同時還要求閉環增益大于等于1,此時晶振才能正常工作。
在實際的產品設計時,晶振部分的電路會有下面2種電路,圖1電路中,沒有1M的反饋電阻,圖2電路中,晶振會并聯一個1M的電阻,

反饋電阻的作用,總結3點:
1)配合IC內部電路組成負反饋,移相,使放大器工作在線性區。
2)穩定輸出幅度和相位。
3)增加振蕩電路穩定性。比如在溫度變化時,可以通過調整電阻值來維持振蕩頻率的穩定。
2、限流電阻RD:
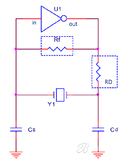
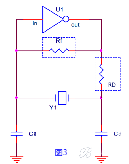
這個電阻的作用是限制IC的驅動能力,并且與Cd組成一個低通濾波器,以確保振蕩器的起振點在基頻上,而不是在其他高次諧波頻率點上(避免3次,5次,7次諧波頻率)。如果晶振的功耗超過晶振制造商的給定值,外部電阻Rd是必需的,用以避免晶振被過分驅動。如果晶振的功耗小于晶振制造商的給定值,就不推薦使用Rd,可以預設0?。如圖3所示

對Rd值的預估可以通過考慮由Rd和Cd的電壓分壓Rd/Cd實現(注意到Rd和Cd構成了一個分壓/濾波器,考慮通帶寬度應不小于振蕩器頻率),則有Rd的值等于Cd的電抗:

限流電阻的作用,總結3點:
1)抑制EMI。我們可通過調整阻值改善EMI。
2)避免晶振被過分驅動,保護晶振電氣性能的穩定性。
3)作為TP點方便波形量測。

最后提醒大家,如果IC部分已含有反饋電阻,那么外部晶振電路無需再加反饋電阻。所以記得認真看IC手冊。如果晶振電路不存在過驅問題,那這顆限流電阻也可以省去。
文章版權歸西部工控xbgk所有,未經許可不得轉載。










服務咨詢